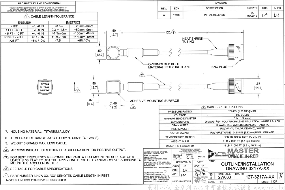
Dytran 3217A型是一种低剖面IEPE加速度计,灵敏度为100 mV / g。该传感器具有工厂模制的聚氨酯护套和可变长度的整体聚氨酯电缆,可在175 psi的水深中可靠运行。传感器的设计采用坚固的轻巧钛金属外壳,内含用于高固有频率的陶瓷剪切传感元件以及低噪声电子元件。该传感器是基础隔离的,以避免EMI /接地环路干扰,并具有粘合剂安装功能。装置采用全密封设计,可在高湿度和肮脏的环境中可靠运行。
特征:
气密,基础隔离,IEPE
重量轻,噪音低
潜水至175 psi
3217A | 灵敏度为100 mV / g,量程为50g,3英尺集成电缆,粘合剂安装,5克,–60至+ 250°F操作 |
|
